久久成人资源I奇米777777I国产 日韩 欧美 在线I91人人澡人人爽人人精品I国产视频观看I成人精品亚洲

燃氣熱水器 系列
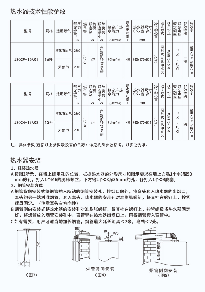
JSQ29-16A01
智能恒溫 微火四分段
  • 水氣雙調 水氣雙調
  • 低水壓啟動 低水壓啟動
  • 精準控溫 精準控溫
  • 高層抗風 高層抗風
返回頂部